
多款英特尔Panther Lake工控主板现身 预计明年一季度上市
英特尔推出多款Panther Lake工控主板,预计将于明年第一季度上市,这些主板采用先进的制程技术,具备出色的性能和可靠性,适用于各种工业控制应用场景,新款主板将为用户带来更快的数据处理速度和更高的工作效率,进一步推动工业4.0的发展。
此前英特尔已经多次强调了下一代移动处理器Panther Lake将会在今年内到明年初如期上市,年内部分厂商将会带来抢先版的新品,而到明年年初搭载该系列处理器的笔记本将会大批量上市。但尽管目前距离该系列处理器正式发布尚有一段时间,但是目前似乎已经开始有相关的产品陆续亮相了,目前已经有两家厂商在官网上线了搭载该系列处理器的工控主板产品。
DFI在官网上架了首款搭载英特尔Panther Lake-H处理器的工业级Mini-ITX主板DFI PTH171/PTH173,具体的处理器型号尚未公布,只确认为25W TDP。主板支持2条DDR5 SO-DIMM内存插槽,容量最高128GB,速率最高7200MT/s支持四屏输出,包括1×DP 2.1、1×HDMI 2.0、1×USB Type-C、1×M2A-Display扩展接口(支持eDP/LVDS/HDMI/DVI/VGA/DP)。
扩展方面包含1×PCIe5.0x4、1×M.2 MKey(NVMe)、1×M.2 BKey(支持4G/5G网络)、1×M.2 EKey(WiFi/蓝牙)、1×M.2 AKey(显示与USB扩展)。I/O接口方面最高支持3个英特尔2.5GbE网口、2×COM、4×USB 3.2 Gen2 Type-A、1×USB Type-C(支持DP Alt/USB/PD15W)、5×USB 2.0扩展、2×SATA 3.0、AudioL/R3W扬声器。
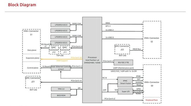
随后,凌华ADLINK的VNX-PL主板也被发现现身官网,搭载Panther Lake H404/H484处理器。凌华VNX-PL主板属于军规加固级单板计算机,采用面向该特定领域的VNX+板型,板载双通道LPDDR5x-8533内存(16GB或32GB容量,正反双贴片)和1TB的BGA形式PCIe 4.0×1固态硬盘。
该主板配备1个基于英特尔i210-IT的千兆背板控制网口,提供1组PCIe 4.0×4接口、1组PCIe 5.0×8、1组PCIe 4.0×2,此外还有1个DisplayPort 2.1、2个USB 3.2。
作者:访客本文地址:https://huii.cc/show/2899.html发布于 2025-08-26 14:02:45
文章转载或复制请以超链接形式并注明出处麻辣财经
还没有评论,来说两句吧...